Versuchsschaltungen von Funkstabo 2

Ein einfacher NF-Verstärker mit Lautsprecher als Mikrofon

Eine andere einfache Verstärkerschaltung

Einstufiger Rückkopplungs-Tongenerator

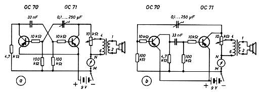
Zweistufiger Verstärker mit Lautsprecher als Mikrofon

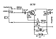
Zweistufiger Verstärker mit Kopfhörer als Mikrofon

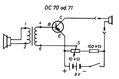
Detektorschaltung mit transformatorgekoppelter NF-Stufe

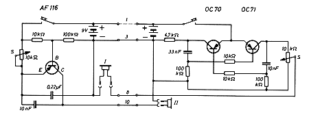
Schaltung mit einer zweiten NF-Stufe

(Dieselbe Detektorschaltung wie im vorangegangenen Versuch)

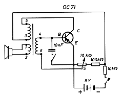
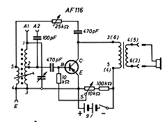
Audionstufe mit Transformatorausgang
für Kopfhörer


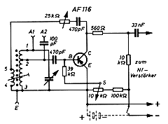
Audionempfänger für Versuche mit der Gegenkopplung

Versuche zur Beeinflussung des Frequenzgangs

(Anschluss an den Audion-Empfangsteil)

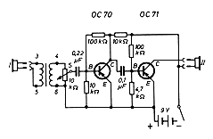
Zweistufiger Einheitsverstärker für weitere Versuche

Detektorschaltung zum Anschluss an den Einheitsverstärker

Detektorempfänger mit einstufiger NF-Vorverstärkung

Audionaufbau zum Einheitsverstärker

Mikrofon-Vorverstärker

Zweistufiger Kontrollverstärker

Dreistufiger Experimentierverstärker

Wechselsprechanlage für grundlegende Versuche


Multivibrator-Schaltung
(Der einzige Ausflug in die digitale Schaltungstechnik)

Morseanlage mit zwei Stationen

Tongenerator zur Speisung von Meßschaltungen

Erweiterung des Tongenerators zum Regenmelder

zurück