7. Der Integrierer

Bei dieser und der nächsten Schaltung rücken zeitliche Vorgänge in den Vordergrund, das heißt, wir betrachten Spannungszustände nun als Funktion der Zeit (und Frequenz). In der Regel handelt es sich dabei um schnell aufeinanderfolgende, periodische Vorgänge, die nur mit einem Oszilloskop sichtbar gemacht werden können. Da wir aber nicht voraussetzen können, dass ein solches Gerät zur Verfügung steht, sind die Möglichkeiten für eigene Versuche beschränkt.

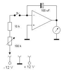
Immerhin lässt sich der Integrierer so "verlangsamen", dass wir einige wichtige Merkmale auch mit den zur Verfügung stehenden Mitteln untersuchen können. Wir bauen folgende Schaltung auf:

Die Struktur entspricht der des invertierenden Verstärkers, mit dem Unterschied, dass nun im Gegenkopplungszweig ein Kondensator liegt. Der Versuchsaufbau wird so eingerichtet, dass der untere Anschluss des Regelwiderstandes bequem umgestöpselt werden kann. Eleganter wäre ein Stufenschalter, aber der lohnt sich nicht an dieser Stelle.

Falls möglich, sollte zur Anzeige der Ausgangsspannung ein Zeigerinstrument benutzt werden.

Bevor wir einschalten, drehen wir den Regelwiderstand auf den Maximalwert von 100 k. Nach dem Einschalten werden wir wahrscheinlich eine Ausgangsspannung von 0 V messen. Falls nicht, sollten wir den Kondensator für einen Moment kurzschließen und entladen.

Nun drücken wir die Taste und beobachten die Ausgangsspannung. Wir werden feststellen, dass sie gleichmäßig ansteigt. Bei einer Spannung von etwa 3 oder 4 V lassen wir die Taste los. Die Spannung bleibt stehen! Wir erhöhen die Spannung weiter, indem wir erneut die Taste drücken.

Dieser Vorgang ist relativ einfach zu durchschauen. Über den Regelwiderstand wird der Kondensator aufgeladen, so dass sich an ihm eine Spannung aufbaut. Da wir auf den invertierenden Eingang gehen, ist die Ausgangsspannung entgegengesetzt gepolt wie die Spannung, der wir den Ladestrom entnehmen.

Jetzt wollen wir aber den Kondensator wieder entladen. Das geht zwar am schnellsten und einfachsten, indem wir ihn kurzschließen, aber wir versuchen es trotzdem über den Eingang. Spontan könnten wir annehmen, dass wir dazu den Eingang mit Masse verbinden müssen. Aber wenn wir nun die Taste drücken, geschieht - nichts. Wenn wir das Prinzip des invertierenden Verstärkers verstanden haben, fällt uns schnell ein, warum: Der invertierende Eingang hat ja schon Massepotential.

Bleibt nur noch übrig, an die positive Betriebsspannung (+12 V) zu gehen, und nun funktioniert es. Genau so gleichmäßig, wie der Kondensator aufgeladen wurde, wird er nun entladen. Aber aufpassen: Wenn die Ausgangsspannung 0 V erreicht hat, müssen wir den Vorgang stoppen. Andernfalls würde der Kondensator sofort negativ aufgeladen, und das sollten wir beim Elko vermeiden.

Wenn wir genau hinschauen, dann merken wir, dass sich die Spannung am Kondensator auch bei geöffneter Taste ein wenig abbaut, besonders unmittelbar nach dem Loslassen der Taste. Für diesen Nebeneffekt sind verschiedene Faktoren verantwortlich, z.B. die Unvollkommenheiten eines Elkos oder auch Fehlströme am Eingang des OP. Wir haben eben doch keinen idealen OP vor uns. Aber verglichen mit der Ausgangsspannung sind solche Abweichungen eher gering, auch wenn ein Digitalinstrument gnadenlos "tickt".

Viel wichtiger ist folgendes:

Wenn, wie in unserem Versuch, das Aufladen und Entladen des Kondensator mit einem konstanten Strom erfolgt, steigt oder fällt die Spannung am Kodensator und damit die Ausgangsspannung linear.


Dieser Sachverhalt macht den Integrierer auch für präzisere Langzeitanwendungen brauchbar, vorausgesetzt, er wird mit hochwertigen Bauteilen beschaltet.

Schließlich sollten wir noch kurz den Zusammenhang zwischen der Ausgangsspannung und der Ladezeit untersuchen. Dass ein kleinerer Kondensator sich schneller auflädt, ist klar, ebenso wie die Tatsache, dass ein größerer Ladestrom den Vorgang beschleunigt - und umgekehrt. Das können wir schnell ausprobieren, indem wir den Kondensator austauschen und / oder den Regelwiderstand verstellen. Doch wir möchten es genauer wissen und kramen die elementare Kondensatorformel heraus:

daraus folgt:

Mit U ist die Spannung am Kondensator (= Ausgangsspannung) gemeint. Überschlagen wir nun: Der Ladestrom beträgt bei einem Widerstand von 110 k und einer Spannung von 12 V etwa 100 uA. Der Kondensator hat eine Kapazität von 100 uF. Setzen wir diese Werte ein, lassen sich Strom und Kapazität wegkürzen und zurück bleibt die Beziehung: U = t. (Das gilt natürlich nur für die angegebenen Werte) Also steigt oder fällt die Spannung in 1 s um 1 V. Wir starten den Versuch noch einmal und beobachten dabei den Sekundenzeiger der Armbanduhr.

Zum Überlegen und Weiterexperimentieren

Wie beim invertierenden Verstärker können hier mehrere Ströme eingespeist werden, auch Ströme entgegengesetzer Polarität. Es ist wie beim Wasserfass, bei dem Sie beliebig viele Zu- und Abflüsse anbringen können.

Interessant wäre ferner, den Kondensator "portionsweise" aufzuladen oder zu entladen. Doch dazu müssten wir ein Monoflop einsetzen. Jedenfalls bietet der Integrierer genügend Potential, um in anderen Zusammenhängen noch einmal aufgegriffen zu werden.

Bei den bisherigen Überlegungen sind wir vom Eingangsstrom (= Ladestrom) ausgegangen. Ebenso ist es möglich, von der Eingangsspannung auszugehen, aber dann müssen wir eine Spannungsquelle mit hinreichend niederohmigem Ausgang voraussetzen, denn der Eingangswiderstand des Integrierers ist meistens niedrig.

Werfen wir nun noch einen Blick auf die Formel des Integrierers:

In dieser Formel kommt das Verhalten des Integrieres kurz und prägnant zum Ausdruck: Die Eingangsspannung wird über der Zeit integriert (aufsummiert). Je größer die Eingangsspannung, desto schneller steigt die Ausgangsspannung. Kondensator und Widerstand gehen (reziprok) als konstante Faktoren in die Rechnung ein. Das Produkt aus R und C wird als Zeitkonstante bezeichnet. Das Minuszeichen schließlich drückt aus, dass der Integrierer invertierend arbeitet.

Exkurs

Einen wichtigen Anwendungsbereich des Integrierers können wir leider nur theoretisch darstellen und nicht experimentell untersuchen, nämlich die Formung von Impulsen und Wechselstromsignalen. Dabei betrachten wir den Integrierer unter den Aspekten des Zeit- und Frequenzverhaltens. [zum Exkurs]


zurück