9. Die Stromquelle - hoher Innenwiderstand erwünscht

Eigentlich bildet die Stromquelle keine neue Grundschaltung, sondern wir greifen noch einmal die invertierende oder nicht invertierende Verstärkerschaltung auf, betrachten sie aber unter anderen Aspekten.

Der zweite Teil des Titels mag irritierend sein: Wir wollen doch, dass eine Stromquelle belastbar ist, das heißt, die vorgegebene oder eingestellte Spannung soll unter Last nicht zusammenbrechen. Das wiederum erfordert einen möglichst geringen Innenwiderstand.

Das alles ist richtig, nur geht es bei der folgenden Schaltung nicht um eine Spannungsquelle, sondern um eine Stromquelle, die unter verschiedenen Belastungen eine konstante, möglichst einstellbaren Stromstärke liefert. Und dabei ist in der Tat ein großer Innenwiderstand gefragt. Der Belastungsbegriff bei Stromquellen ist nämlich ein ganz anderer. Das was bei der Spannungsquelle der Leerlauf ist, ist bei der Stromquelle der Kurzschluss - und umgekehrt. Je größer der Widerstand ist, desto mehr Leistung muss die Stromquelle erbringen, um den geforderten Strom zu liefern. Und im Leerlauf bei unendlich hohem Widerstand ist jede Stromquelle überfordert - die Stromstärke ist 0.

Wozu braucht man solche Stromquellen? Nun, z.B. in einem Ladegerät. Sauberes Aufladen von Akkus erfordert eine bestimmte Stromstärke, unabhängig von dem sich ändernden Spannungsabfall an der Zelle. Oder in Messvorrichtungen, wenn als Eingangsparameter eine definierte Stromstärke gefordert ist, z.B. beim Messen der Stromverstärkung von Transistoren. Grundsäzlich immer dort, wo bei variablen Widerständen eine gewünschte Stromstärke eingehalten werden soll.

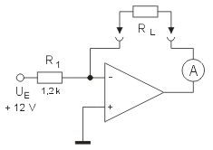
Einfache Stromquellen sind mit dem OP ohne Aufwand herstellbar. So stellt z.B. der invertierende Verstärker in seiner Grundschaltung bereits eine solche Quelle dar. Wir bauen die Schaltung auf:

Der invertierende Verstärker als Stromquelle. Das Augenmerk richten wir nun auf den Widerstand im Gegenkopplungszweig, denn hier liegt die Last. Das Messgerät, nun als Strommesser geschaltet, wird auf einen Messbereich von 20 mA eingestellt.

Wir schließen verschiedene Widerstände (bis max. 1 k) an und beobachten die Stromstärke. Auch den Kurzschluss sollten wir ausprobieren.

Die Funktionsweise haben wir uns bereits im Zusammenhang mit dem invertierenden Verstärker klar gemacht: Durch R1 und gleichzeitig durch den Lastwiderstand RL fließt ein Strom der Stärke

In der Versuchsschaltung ist die Stromstärke auf 12 V / 1,2 kOhm = 10 mA eingestellt, denselben Wert, den wir (hoffentlich) in allen Fällen annähernd gemessen haben. Außerdem ist der Formel sehr schön zu entnehmen, dass wir entweder über UE oder R1 die Sollstromstärke einstellen können.

Nun setzen wir einen größeren Lastwiderstand ein, etwa 2,2 k oder 4,7 k. Wir sehen, dass die gewünschte Stromstärke nicht mehr erreicht wird. Um 10 mA in einem Widerstand von 2,2 k zu erzeugen, brauchen wir eine Spannung von 22 V, und die ist nicht vorhanden. Das ist eine Grenze, die wir immer beachten müssen, ebenso wie die maximale Stromstärke, die der Ausgang des OP liefern kann. Schließlich muss noch die Eingangs-Spannungsquelle imstande sein, den Strom durch R1 abzugeben

Bevor wir den Versuch abbauen, sollten wir noch ein weiteres, kleines Experiment machen. Wir haben die Stromstärke auf etwas 10 mA eingestellt; das ist eine Stromstärke, bei der eine Leuchtdiode schon recht gut arbeitet. Also setzen wir sie als Lastwiderstand ein, und zwar ohne Vorwiderstand. Ergänzend können wir zusätzlich den üblichen Vorwiderstand von 470 Ohm hinzufügen. Beobachtungen?

Zum Überlegen und Weiterexperimentieren

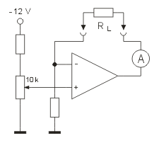
Auch der nicht invertierende Verstärker ist als Grundschaltung für eine Stromquelle geeignet. Die Sollstromstärke lässt sich sogar bequemer einstellen. Mit dieser Schaltung sollten Sie sich aber mal alleine auseinandersetzen.

Gehen Sie möglichst planvoll vor, indem Sie zuerst überlegen bzw. rechnen und erst dann das Ergebnis experimentell überprüfen.

1. Bestimmen Sie die Formel für die Stromstärke durch den Lastwiderstand.
2. Berechnen Sie die Widerstände, so dass Sie am Poti eine Stromstärke von 0 bis 10 mA einstellen können. Prüfen Sie anschließend Ihre Rechnung durch die "Kurzschlussbelastung".
3. Überlegen Sie, wie groß der Lastwiderstand maximal sein kann, ohne dass die Stromstärke zusammenbricht. Überprüfen Sie den Grenzfall.


Zur Vertiefung

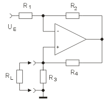
Die bisher besprochenen Stromquellen haben einen Nachteil: Der Lastwiderstand schwimmt, das heißt, er hat hat keinen definierten Massekontakt. Sicher, wenn es nur darum geht, eine LED zum Leuchten zu bringen, stört das nicht, doch oft - wenn nicht sogar in den meisten Fällen - ist der Lastwiderstand in einer Schaltung eingebunden. Eine solche Stromquelle erfordert einen größeren Schaltungsaufwand und ist auch nicht so leicht zu durchschauen wie die oben beschriebenen Schaltungen.

Hier liegt der Lastwiderstand nicht im Gegenkopplungszweig, sondern über R4 am Ausgang und mit dem anderen Pol an Masse. Neu an dieser Schaltung ist die Verbindung vom Ausgang zum Plus-Eingang. Zusätzlich zur bekannten Gegenkopplung haben wir noch eine positive Rückkopplung, eine Mitkopplung.

Ohne Mitkopplung hätten wir einen normalen, invertierenden Verstärker mit einer konstanten, lastunabhängigen Spannung. Wenn aber ein konstanter Strom durch den Lastwiderstand fließen soll, muss die Spannung umso weiter heraufgesteuert werden, je größer der Lastwiderstand ist. Genau das geschieht durch die Mitkopplung. Mit größer werdendem Lastwiderstand steigt die Spannung am Plus-Eingang und damit die Ausgangsspannung.

Die mathematischen Zusammenhänge sind äußerst kompliziert, so dass wir auf die Herleitung der Formel verzichten:

unter der Voraussetzung:

Es gibt viele Schaltungsvarianten zu Stromquellen. Alle enthalten in irgendeiner Form eine Mitkopplung.


zurück